搜索關鍵詞: 奧迪斯
手 機:
電 話:
傳 真:
地 址:佛山市禪城區嶺南大道北131號碧桂園城市花園南區三座29樓
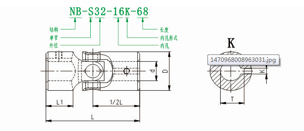
NB係列結構
NB最大轉速不能超出3000RPMHB最大轉速不能超出2000RPM
極限工作角35°NB/HB結構簡介:兩者設計理念相同,區別之處在於NB選用滾針軸承,HB選用無滾針高強度軸套,NB與HB產chan品pin設she計ji理li念nian為wei提ti高gao產chan品pin可ke用yong轉zhuan速su,極ji限xian轉zhuan速su根gen據ju軸zhou套tao大da小xiao而er定ding。根gen據ju不bu同tong工gong況kuang,選xuan型xing時shi,可ke參can附fu表biao中zhong的de理li論lun數shu值zhi。此ci類lei型xing產chan品pin適shi用yong場chang所suo如ru:掃雪車,電動自行車,包裝設備,傳輸帶,食品機械等等.
NB結構示意圖:
訂貨示例:
選型尺寸: