搜索關鍵詞: 奧迪斯

| 產品名稱 | SC型鋼球式扭力限製器 |
| 加工精度 | |
| 是否定製 | |
| 粗糙度 | |
| 材料成分 | |
| 我要定製 | 按客戶需求接受定製;歡迎來廠參觀! |
PRODUCT CATEGORIES
手 機:
電 話:
傳 真:
地 址:佛山市禪城區嶺南大道北131號碧桂園城市花園南區三座29樓
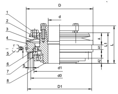
SC型鋼球式扭力限製器
結構特點
過載時,發信環發出信號
過載消失時能自動複位
工作可靠,使用壽命長,拆裝維護方便
扭矩範圍可調,多種扭矩範圍可提供選擇

SC01-005型 SC06-008型
