搜索關鍵詞: 奧迪斯

| 產品名稱 | WGZ型帶製動輪鼓形齒式聯軸器 |
| 加工精度 | |
| 是否定製 | |
| 粗糙度 | |
| 材料成分 | |
| 我要定製 | 按客戶需求接受定製;歡迎來廠參觀! |
PRODUCT CATEGORIES
手 機:
電 話:
傳 真:
地 址:佛山市禪城區嶺南大道北131號碧桂園城市花園南區三座29樓
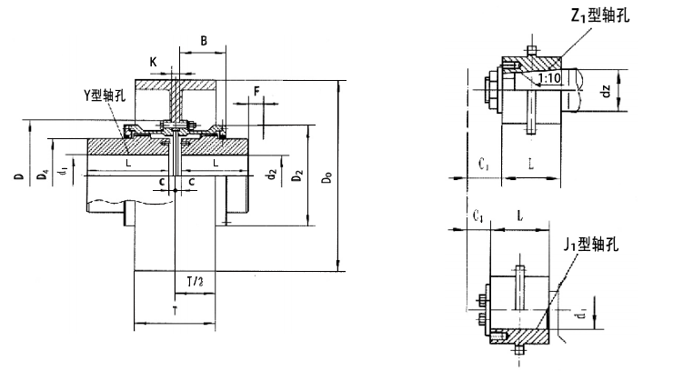
WGZ型帶製動輪鼓形齒式聯軸器(JB/T7003-93)

WGZ型帶製動輪鼓形齒式聯軸器的主要尺寸和參數(JB/T7003-93)

