搜索關鍵詞: 奧迪斯

| 產品名稱 | AODISI WGT型接中間套鼓形齒式聯軸器 |
| 加工精度 | |
| 是否定製 | |
| 粗糙度 | |
| 材料成分 | |
| 我要定製 | 按客戶需求接受定製;歡迎來廠參觀! |
PRODUCT CATEGORIES
手 機:
電 話:
傳 真:
地 址:佛山市禪城區嶺南大道北131號碧桂園城市花園南區三座29樓
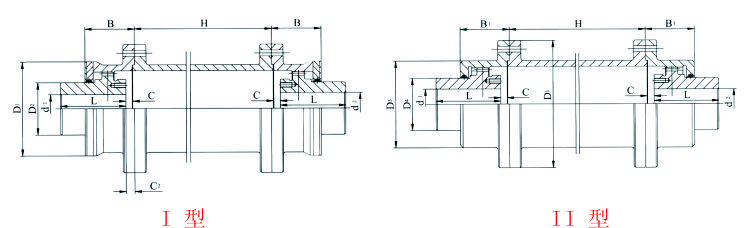
標記示例:
鍵聯接的聯軸器的標記方法符合GB/T3852的規定。
主動端:Y型軸孔,A型鍵槽,d1=50mm,L=112mm
從動端:Y型軸孔,A型鍵槽,d2=50mm,L=112mm
中間套長度H=300mm的Ⅰ型WGT6聯軸器
WGT6聯軸器 50x112-300 JB/T7004-93
主動端:Y型軸孔,A型鍵槽,d1=100mm,L=212mm
從動端:Y型軸孔,A型鍵槽,d2=130mm,L=202mm
中間套長度H=500mm的Ⅱ型WGT10聯軸器
WGT10聯軸器聯軸器 100x112 / J1B130x202 -Ⅱ-500 JB/T7004-93

過盈配合油壓裝卸的無鍵聯接的聯軸器按JB/T6136的規定其標記方法在軸孔前加"U"表示.
主動端:Y型軸孔,過盈配合油壓裝卸,d1=90mm,L=172mm
從動端:Y型軸孔,過盈配合油壓裝卸,d2=100mm,L=212mm
中間套長度H=500mm的Ⅰ型WGT6聯軸器
WGT6聯軸器U90x172 / U100x212 JB/T7004-93
主動端:J1型軸孔,過盈配合油壓裝卸,d1=250mm,L=330mm
從動端:J1型軸孔,過盈配合油壓裝卸,d2=250mm,L=330mm
中間套長度H=500mm的Ⅱ型WGT14聯軸器
WGT14聯軸器聯軸器J1U250X330 -Ⅱ-600 JB/T7004-93

WGT型接中間套鼓形齒式聯軸器基本尺寸和參數
