搜索關鍵詞: 奧迪斯

| 產品名稱 | AODISI DC係列卷筒用鼓形齒式聯軸器 |
| 加工精度 | |
| 是否定製 | |
| 粗糙度 | |
| 材料成分 | |
| 我要定製 | 按客戶需求接受定製;歡迎來廠參觀! |
PRODUCT CATEGORIES
手 機:
電 話:
傳 真:
地 址:佛山市禪城區嶺南大道北131號碧桂園城市花園南區三座29樓
DC係列卷筒用鼓形齒式聯軸器:

卷juan筒tong用yong鼓gu型xing齒chi式shi聯lian軸zhou器qi是shi一yi種zhong用yong於yu起qi重zhong機ji械xie中zhong起qi升sheng機ji構gou的de減jian速su器qi與yu卷juan筒tong的de聯lian接jie及ji其qi他ta類lei似si機ji構gou聯lian接jie的de新xin型xing撓nao性xing聯lian軸zhou器qi。此ci聯lian軸zhou器qi作zuo為wei傳chuan遞di轉zhuan矩ju及ji徑jing向xiang載zai荷he之zhi用yong,但dan不bu能neng用yong作zuo承cheng受shou軸zhou向xiang載zai荷he的de傳chuan動dong。其qi工gong作zuo溫wen度du為wei-25~+80℃,傳遞公稱轉矩4~800KN.m;許用徑向力為14.5~450KN.
卷筒用鼓型齒式聯軸器由帶鼓型齒的半聯軸節、帶聯接法蘭和內齒圈的外套、帶外球麵的承載環、內蓋、外蓋及密封圈等組成,並設有定位磨損指針、runhuayoukonghetongqikongdeng。shiyongshi,banlianzhoujietaozhuangyujiansujishuchuzhoushang,waitaoyugangsijuantongyonggaoqiangduluoshuanlianjie,jingxiangzaihetongguochengzaihuandewaiqiumianhewaitaodeneichengzaimianxingchengdejiechufugouchengzidongtiaoweideqiumianzhouchenglaichengshou.
與其他卷筒用聯軸器比較,卷筒用鼓形齒式聯軸器有如下特點:
工作穩定可靠,能承受很大徑向載荷和傳遞較大的轉矩,過載能力大
結構緊湊牢固,係列化設計,可簡化整機結構,減輕設備重量
調位性能好,安裝、調整方便,維修簡單
可配用普通軸伸減速機,減低設備成本
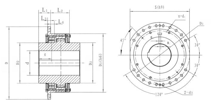
結構示意圖:

主要選型尺寸和參數
|
型號 |
許用轉速 |
額定轉矩 |
徑向載矩 |
軸孔 |
外形尺寸 |
|||||||||
|---|---|---|---|---|---|---|---|---|---|---|---|---|---|---|
|
直徑 |
長度 |
|||||||||||||
|
n |
T |
F |
d(H7) |
L |
D |
D3(h6) |
D2(h9) |
L1 |
L2 |
L3 |
L4 |
L5 |
L6 |
|
|
r/min |
N.m |
N |
mm |
mm |
||||||||||
|
DC01A DC01B |
200 |
16000 |
18000 |
110 |
185 |
400 |
280 |
180 |
80 |
85 |
15 20 |
25 |
26 |
11 |
|
DC02A DC02B |
200 |
22400 |
25000 |
125 |
200 |
420 |
310 |
212 |
80 |
95 |
15 20 |
25 |
26 |
11 |
|
DC03A DC03B |
200 |
31500 |
35500 |
150 |
225 |
450 |
340 |
230 |
80 |
105 |
20 |
25 |
26 |
11 |
|
DC04A DC04B |
200 |
45000 |
50000 |
160 |
235 |
500 |
380 |
243 |
95 |
115 |
20 25 |
30 |
34 |
15 |
|
DC05A DC05B |
200 |
63000 |
71000 |
200 |
250 |
550 |
420 |
280 |
95 |
130 |
20 25 |
30 |
34 |
15 |
|
DC06A DC06B |
200 |
90000 |
90000 |
220 |
265 |
580 |
450 |
315 |
95 |
145 |
20 25 |
30 |
34 |
15 |
|
DC07A DC07B |
200 |
125000 |
112000 |
240 |
290 |
620 |
500 |
345 |
101 |
160 |
25 30 |
35 |
34 |
19 |
|
DC08A DC08B |
200 |
160000 |
140000 |
260 |
300 |
650 |
530 |
375 |
101 |
170 |
25 30 |
35 |
35 |
19 |
|
DC09A DC09B |
200 |
224000 |
180000 |
280 |
310 |
680 |
560 |
400 |
101 |
180 |
25 30 |
35 |
35 |
19 |
|
DC010A DC010B |
200 |
315000 |
224000 |
300 |
345 |
720 |
600 |
437 |
111 |
185 |
35 |
43 |
35 |
21 |
|
DC011A DC011B |
200 |
450000 |
280000 |
340 |
380 |
780 |
670 |
487 |
111 |
200 |
35 |
43 |
35 |
21 |
|
DC012A DC012B |
200 |
560000 |
355000 |
380 |
420 |
850 |
730 |
545 |
111 |
215 |
35 |
43 |
35 |
21 |
|
型號 |
卷筒聯接尺寸 |
磨損刻度 |
軸向間隙 |
載荷位置 |
轉動慣量 |
質量 |
|||||||||||
|---|---|---|---|---|---|---|---|---|---|---|---|---|---|---|---|---|---|
|
S(h9) |
D1 |
n-d1 |
螺栓 |
a |
2-d3 |
r |
M1 |
e |
I |
m |
|||||||
|
mm |
mm |
kg.m2 |
kg |
||||||||||||||
|
DC01A DC01B |
360 |
360 |
10- 18 |
M16 |
30 |
M16 |
2.5 |
0.8 |
±2.5 |
88 |
1.0 |
80 |
|||||
|
DC02A DC02B |
380 |
380 |
10- 18 |
M16 |
30 |
M16 |
2.5 |
0.8 |
±2.5 |
88 |
1.5 |
100 |
|||||
|
DC03A DC03B |
400 |
400 |
10- 22 |
M20 |
30 |
M20 |
2.5 |
1.1 |
±2.5 |
88 |
2.5 |
120 |
|||||
|
DC04A DC04B |
460 |
460 |
10- 22 |
M20 |
30 |
M20 |
2.5 |
1.4 |
±2.5 |
106 |
3.0 |
150 |
|||||
|
DC05A DC05B |
500 |
500 |
10- 22 |
M20 |
30 |
M20 |
2.5 |
1.4 |
±2.5 |
106 |
4.5 |
190 |
|||||
|
DC06A DC06B |
530 |
530 |
14- 22 |
M20 |
20 |
M20 |
2.5 |
1.8 |
±2.5 |
106 |
7.25 |
245 |
|||||
|
DC07A DC07B |
560 |
560 |
14- 22 |
M20 |
20 |
M20 |
2.5 |
1.8 |
±2.5 |
115 |
10.3 |
330 |
|||||
|
DC08A DC08B |
580 |
600 |
14- 22 |
M20 |
20 |
M20 |
2.5 |
1.8 |
±2.5 |
115 |
15.5 |
385 |
|||||
|
DC09A DC09B |
600 |
630 |
26-22 |
M20 |
10 |
M20 |
4 |
1.8 |
±2.5 |
115 |
21.4 |
485 |
|||||
|
DC010A DC010B |
640 |
660 |
26-26 |
M24 |
10 |
M24 |
4 |
2.2 |
±2.5 |
121 |
30.6 |
550 |
|||||
|
DC011A DC011B |
700 |
730 |
26-26 |
M24 |
10 |
M24 |
4 |
2.2 |
±2.5 |
121 |
40.2 |
650 |
|||||
|
DC012A DC012B |
760 |
800 |
26-26 |
M24 |
10 |
M24 |
4 |
2.2 |
±2.5 |
121 |
65.1 |
690 |
|||||