搜索關鍵詞: 奧迪斯

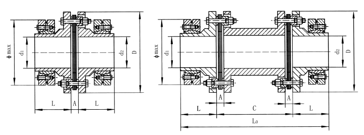
| 產品名稱 | AODISI DJM/SJM型鎖緊盤式單/雙型彈性膜片聯軸器 |
| 加工精度 | |
| 是否定製 | |
| 粗糙度 | |
| 材料成分 | |
| 我要定製 | 按客戶需求接受定製;歡迎來廠參觀! |
PRODUCT CATEGORIES
手 機:
電 話:
傳 真:
地 址:佛山市禪城區嶺南大道北131號碧桂園城市花園南區三座29樓
結構特點:具有膜片聯軸器及脹套的所有優點
比用Z1型脹套更簡單,成本更低,裝拆更方便,傳遞的孔徑更大
也可以將Z7B型脹套更換為Z10型脹套鎖緊
很適合運動不平穩的場合,如加速和製動以及高速傳動
可重複使用,過載時打滑可對機械部件進行保護,單應避免重複打滑

DJM/SJM型鎖緊盤式單/雙型彈性膜片聯軸器基本參數和主要尺寸
