搜索關鍵詞: 奧迪斯

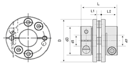
| 產品名稱 | H型雙螺絲台階式單膜片彈性聯軸器 |
| 加工精度 | |
| 是否定製 | |
| 粗糙度 | |
| 材料成分 | |
| 我要定製 | 按客戶需求接受定製;歡迎來廠參觀! |
PRODUCT CATEGORIES
手 機:
電 話:
傳 真:
地 址:佛山市禪城區嶺南大道北131號碧桂園城市花園南區三座29樓
特點:
軸和軸套無間隙連接;
安裝容易、結構緊湊,零背隙,正反轉特性相同;
慣量低,適合於高速運轉;
采用高強度鋁合金、不鏽鋼膜片組合製成;
專為伺服、步進電機設計;
廣泛用於數控機床等高精密傳動設備上。



