搜索關鍵詞: 奧迪斯

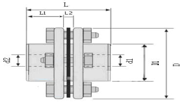
| 產品名稱 | N型分離式膜片彈性聯軸器 |
| 加工精度 | |
| 是否定製 | |
| 粗糙度 | |
| 材料成分 | |
| 我要定製 | 按客戶需求接受定製;歡迎來廠參觀! |
PRODUCT CATEGORIES
手 機:
電 話:
傳 真:
地 址:佛山市禪城區嶺南大道北131號碧桂園城市花園南區三座29樓
特點:
利用鍵槽連接;
順時針和逆時針回轉特性相同;
高扭矩剛性和靈敏度,扭矩大,結構簡單,易安裝;
不鏽鋼膜片補償徑向、角向、軸向的偏差。


