搜索關鍵詞: 奧迪斯

| 產品名稱 | AODISI CN結構 |
| 加工精度 | |
| 是否定製 | |
| 粗糙度 | |
| 材料成分 | |
| 我要定製 | 按客戶需求接受定製;歡迎來廠參觀! |
PRODUCT CATEGORIES
手 機:
電 話:
傳 真:
地 址:佛山市禪城區嶺南大道北131號碧桂園城市花園南區三座29樓



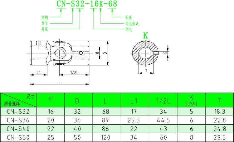
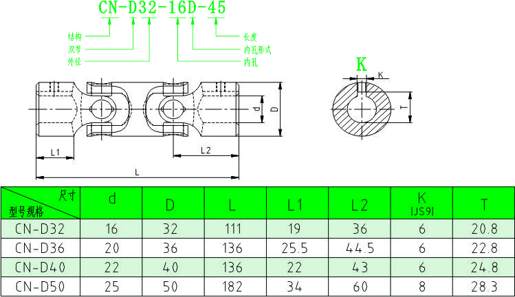
CN結構:CN為世麵通用十字軸,一般CN結構尺寸因為十字軸的限製,目前基本隻生產40+的產品。
CN與NB結構原理一樣,都通過滾針軸承來實現其高轉數,基本最高轉數控製在2500之內,因為滾針軸承的極限使用是4000轉,一般在這個轉數下,是屬於對滾針的壽命試驗,可以使用,但是壽命很短。
目前CN結構我們供給高端方向器比較多,國內不銷售,基本出口美國,銷售在美國的古董車市場。

CN單節

CN 雙節




高精度數控,進口機器,保證生產工藝中的尺寸控製,量大從優。
