搜索關鍵詞: 奧迪斯

| 產品名稱 | AODISI NB結構 |
| 加工精度 | |
| 是否定製 | |
| 粗糙度 | |
| 材料成分 | |
| 我要定製 | 按客戶需求接受定製;歡迎來廠參觀! |
PRODUCT CATEGORIES
手 機:
電 話:
傳 真:
地 址:佛山市禪城區嶺南大道北131號碧桂園城市花園南區三座29樓



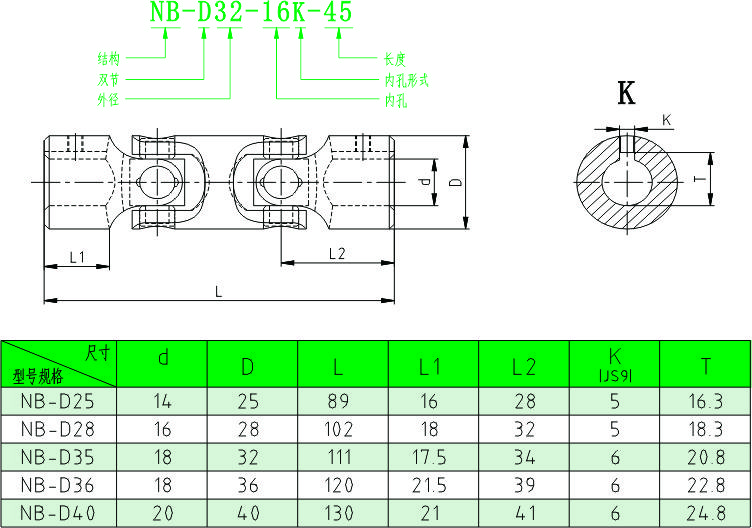
NB結構:NB結構由方塊,銷子,滾針軸承,節叉組成。
NB的方塊銷子處理如PB,PR結構,CN則為世麵通用十字軸,一般NB結構尺寸25-45可以生產,而CN結構則因為十字軸的限製,目前基本隻生產40+的產品。兩者原理一樣,都通過滾針軸承來實現其高轉數,基本最高轉數控製在2500之內,因為滾針軸承的極限使用是4000轉,一般在這個轉數下,是屬於對滾針的壽命試驗,可以使用,但是壽命很短。NB比CN能夠承受的扭力大一些。成品從手感上基本感覺不到間隙,NB是比較新穎的一種結構,目前國內很少有人生產,隻我們一家。NB結構適合於一些對間隙要求比較高,轉數有要求的客戶。

NB單節

NB 雙節






高精度數控,進口機器,保證生產工藝中的尺寸控製,量大從優。
