搜索關鍵詞: 奧迪斯

| 產品名稱 | AODISI PB單節 |
| 加工精度 | |
| 是否定製 | |
| 粗糙度 | |
| 材料成分 | |
| 我要定製 | 按客戶需求接受定製;歡迎來廠參觀! |
PRODUCT CATEGORIES
手 機:
電 話:
傳 真:
地 址:佛山市禪城區嶺南大道北131號碧桂園城市花園南區三座29樓


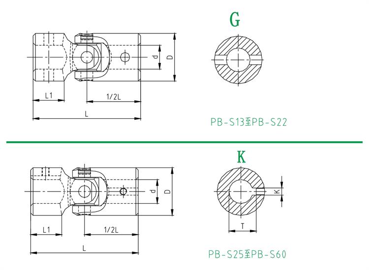
PB結構:PB結構由銷子,方塊,節叉組成。示意圖如下:

PB結構的銷子是GCR15.俗稱軸承鋼,方塊是由20CR,這兩個部分的產品熱處理方案一樣,滲碳熱處理,硬度達到58-62HRC,節叉為一般的40CR材料,不進行處理。如遇到特殊的客戶要求,節叉可以進行調質處理,提高節叉口的硬度。
PB結構的原理: 滾花銷子是過盈配合,壓死在節叉的耳朵孔的,由銷子在方塊中運轉,磨損也在其中產生,PB結構一般使用在扭力大,轉數,具體數值根據產品大小而定,越大轉數越小,扭力承受越大,一般PB結構最高不超過600轉/分。PB結構不能用在有正反轉的運轉情況下,現在最大使用量供給封邊機上,實現大扭矩的動力傳動。
PB結構訂貨示例: PB-S20-10D-45




|
型號 |
d |
D |
L |
L1 |
1/2L
|
K|JS9| |
T |
|---|---|---|---|---|---|---|---|
|
PB-S13 |
6 |
13 |
40 |
12 |
20 |
||
|
PB-S16 |
8 |
16 |
40 |
12 |
20 |
||
|
PB-S20 |
10 |
20 |
45 |
12.5 |
22.5 |
||
|
PB-S25 |
12 |
25 |
50 |
14 |
25 |
4 |
13.8 |
|
PB-S25 |
14 |
25 |
56 |
16 |
28 |
5 |
16.3 |
|
PB-S29 |
16 |
29 |
65 |
18 |
32.5 |
5 |
18.3 |
|
PB-S32 |
16 |
35 |
68 |
19.5 |
34 |
6 |
20.8 |
|
PB-S35 |
18 |
35 |
78 |
21.5 |
39 |
6 |
22.8 |
|
PB-S37 |
20 |
37 |
82 |
23 |
41 |
6 |
22.8 |
|
PB-S40 |
20 |
40 |
95 |
26.5 |
47.5 |
6 |
22.8 |
|
PB-S45 |
22 |
45 |
108 |
31.5 |
54 |
6 |
24.8 |
|
PB-S50 |
25 |
50 |
140 |
44 |
70 |
8 |
28.3 |
|
PB-S60 |
30 |
60 |
160 |
52 |
80 |
8 |
33.3 |







高精度數控,進口機器,保證生產工藝中的尺寸控製,量大從優。
