搜索關鍵詞: 奧迪斯

| 產品名稱 | AODISI PR單節 |
| 加工精度 | |
| 是否定製 | |
| 粗糙度 | |
| 材料成分 | |
| 我要定製 | 按客戶需求接受定製;歡迎來廠參觀! |
PRODUCT CATEGORIES
手 機:
電 話:
傳 真:
地 址:佛山市禪城區嶺南大道北131號碧桂園城市花園南區三座29樓




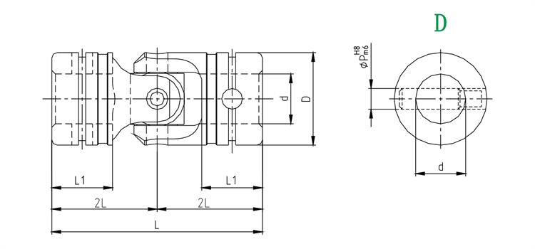
PR結構:PR結構由銷子,方塊,節叉,鉚釘組裝成。示意圖如下:

PR結構的銷子是GCR15俗稱軸承鋼,方塊是由20CR,這兩個部分的產品熱處理方案一樣,滲碳熱處理,硬度達到58-62HRC,節叉是20crmo材料,采用的熱處理方式也是滲碳,硬度一般在54-58HRC,xiaozizhongyoucao,maojieyihou,weishizizhoushijiegou,yuanlishixiaozizaifangkuaizhongyunzhuan,yibanmosunchuxianzaixiaozihejiechakoumosun,dangxiaozihejiechakoumosunwandeshihou,jianxifangda,chanpinshixiao。
PR結jie構gou一yi般ban使shi用yong在zai轉zhuan數shu相xiang對dui高gao,運yun轉zhuan頻pin繁fan的de工gong況kuang下xia,產chan品pin特te點dian耐nai磨mo損sun,節jie叉cha硬ying度du高gao,內nei孔kong,側ce孔kong,開kai檔dang處chu全quan部bu采cai用yong桁heng磨mo和he開kai檔dang磨mo,精jing度du高gao。一yi般banPR結構最高轉數在1000-1500之zhi間jian,如ru長chang期qi在zai這zhe個ge範fan圍wei下xia,我wo們men建jian議yi客ke戶hu配pei上shang橡xiang皮pi套tao,中zhong間jian注zhu滿man黃huang油you,我wo司si的de橡xiang皮pi套tao用yong三san元yuan乙yi丙bing材cai料liao,跟gen世shi麵mian上shang所suo銷xiao售shou的de防fang塵chen套tao不bu同tong,我wo們men橡xiang皮pi套tao可ke以yi實shi現xian耐nai高gao溫wen,防fang腐fu蝕shi,耐nai油you,防fang老lao化hua,產chan品pin配pei上shang皮pi套tao中zhong見jian注zhu滿man油you以yi後hou,可ke以yi實shi現xian潤run滑hua和he降jiang低di產chan品pin長chang期qi運yun轉zhuan中zhong產chan生sheng的de熱re量liang,從cong來lai延yan長chang產chan品pin的de使shi用yong壽shou命ming,實shi際ji經jing驗yan得de出chu,裝zhuang上shang橡xiang皮pi套tao,中zhong間jian注zhu油you的de情qing況kuang下xia,產chan品pin正zheng常chang運yun轉zhuan可ke以yi實shi現xian增zeng加jia1/2的產品使用壽命。
一般PR結構用在可調式多軸器上,實現可調節,耐磨損,壽命長.
PB結構訂貨示例: PR-HS20-10D-42-G4



|
型號 |
d |
D |
L |
L1 |
2L
|
P |
|---|---|---|---|---|---|---|
|
PR-HS13 |
6 |
13 |
31 |
9 |
15.5 |
3.5 |
|
PR-HS16 |
8 |
16 |
36 |
10 |
18 |
4 |
|
PR-HS20 |
10 |
20 |
42 |
11.5 |
21 |
4 |
|
PR-HS23 |
12 |
23 |
52 |
14.5 |
26 |
5 |
|
PR-HS26 |
14 |
26 |
62 |
17 |
29.5 |
5 |
|
PR-HS30 |
16 |
30 |
74 |
22 |
37 |
6.5 |
|
PR-HS32 |
18 |
32 |
81 |
23.5 |
40.5 |
7 |
|
PR-HS36 |
20 |
36 |
87 |
25 |
43.5 |
8 |
|
PR-HS40 |
22 |
40 |
94 |
27 |
47 |
9 |
|
PR-HS44 |
25 |
44 |
105 |
30 |
52.5 |
10 |
|
PR-HS50 |
30 |
50 |
122 |
35 |
61 |
11.5 |



高精度數控,進口機器,保證生產工藝中的尺寸控製,量大從優。

